Zum Hauptinhalt springen
DE
Deutsch
Französisch
Italienisch
Englisch
CHF
(CHF)
Schweizer Franken
- CHF
(CHF)
Schweizer Franken
- CHF
(CHF)
Euro
- EUR
(€)
Kontakt
Service
Neu eingetroffen
Zuletzt angesehen
Produktliste vergleichen
Über uns
Versand und Rücksendungen
AGB
News
Anmelden
Schweizer Onlineshop - Versandkostenfrei ab SFr. 150.-- (Schweiz und Liechtenstein)
Geben Sie einen Suchbegriff ein. Während Sie tippen, erscheinen automatisch erste Ergebnisse. Drücken Sie die Eingabetaste, um alle Ergebnisse aufzurufen.
Menü
Anmelden
0
Produkte
Vergleichen
Vergleichen
0
Wunsch
Liste
Wunschliste
0
Waren
Korb
Warenkorb
Motorrad + Roller
Mofa
Fahrrad + E-Bike
E-Scooter
Helme + Zubehör
Motorrad-Bekleidung
Pocket-Bike
APE - Vespacar
Marken
Mehr
Tuning - Zubehör Roller - Motorräder, allgemein
Alarmanlagen
Anlasser
Anti-Diebstahl
Aufkleber - Dekor
Auspuffband
Auspuffdichtungen
Batterien
Beifahrer-Haltegriffe
Beleuchtung - Blinker - Elektrik
Benzinfilter
Benzinhahnen
Benzinpumpen
Benzinschläuche
Blinkerrelais - Blinkerpiepser
Brems- + Kupplungshebel
Bremsbeläge
Bremslicht-/Kupplungs-/Stopschalter
Bremsscheiben
Bremszangen
Bücher
Computer
Dichtmassen - Dichtmittel
Düsen
Endschalldämpfer
Fahrzeugdecken
Flickzeug
Frontständer - Heckständer
Gabelsimmerringe
Gepäck - Top-Case - Körbe - Taschen - Rucksäcke
Geschwindigkeitskleber
mehr...
Tuning - Zubehör Roller - Motorräder, fahrzeugspezifisch
Motorrad
Roller - Scooter
Occasions-Teile
Motoren - Ersatzteile
Minarelli AM6
Könnte Dich interessieren ...
Wir verfügen über ein sehr umfangreiches Sortiment an Mofa-Produkten. Bist Du in unserem Onlineshop nicht fündig geworden? Frag' uns einfach an. Allenfalls können wir Dir trotzdem helfen ...
Alpa Bora
Auspuffanlagen Original - Ersatzteile
Nummernhalter
Tretsystem
Alpa Enduro 535
Antrieb - Übersetzung
Nummernhalter
Tankdeckel - Zierschwämme
Tretsystem
Alpa Turbo
Antrieb - Übersetzung
Auspuffanlagen Original - Ersatzteile
Dichtungen
Kabelzüge - Klemmnippel - Stellschrauben
Lenker - Lenkervorbau
Nummernhalter
Schutzbleche - Schutzblechstreben
Schwinge - Ersatzteile
Ständer - Ersatzteile
Tankdeckel - Zierschwämme
Tretsystem
Belmondo 247-71
Antrieb - Uebersetzung
Kabelzüge - Klemmnippel - Stellschrauben
Nummernhalter
Sättel
Tankdeckel - Zierschwämme
Tretsystem
Zierfiguren - Ziermuttern - Dekorteile
Zündung
Bye Bike
Anhängerkupplungen
Aufkleber
Auspuff 30 km/h
Auspuff 45 km/h
Bremsen - Tachokabel - Tachoantrieb
Dichtungen
Elektrik
Fahrgestell
Gabel
Hinterrad 30 km/h
Hinterrad 45 km/h
Karosserie Mitte/Hinten
Karosserie Vorn
Kickstarterdeckel - Ersatzteile
Kurbelwelle - Ersatzteile
Lenker
Motor, kplt.
Motorgehäuse
Nummernhalter
Pedalachse
Racing
Sattel - Gepäckträger
Schmierung 45 km/h
Schwinge - Ständer - Stossdämpfer 30 km/h
Schwinge - Ständer - Stossdämpfer 45 km/h
Sekundärgetriebe
Tank
Teile Retro-Modell
Top-Case
Umrüstkits Blinker/E-Starter
mehr...
Cilo 515 / 518
Ansaugstutzen
Antrieb - Uebersetzung
Kabelzüge - Klemmnippel - Stellschrauben
Kits - Zylinder - Ersatzteile
Luftfilter
Nummernhalter
Tankdeckel - Zierschwämme
Tretsystem
Vergaser - Ersatzteile
Zierfiguren - Ziermuttern - Dekorteile
Zündung
Cilo Cross
Auspuffanlagen Original - Ersatzteile
Auspuffanlagen
Kabelzüge - Klemmnippel - Stellschrauben
Nummernhalter
Tankdeckel - Zierschwämme
Tretsystem
DKW M50
Bereifung
Fantic Issimo
Ansaugstutzen
Antrieb - Uebersetzung
Auspuffanlagen
Auspuffanlagen Original
Kabelzüge - Klemmnippel - Stellschrauben
Luftfilter
Motorrevision
Nummernhalter
Tankdeckel - Zierschwämme
Tretsystem
Vergaser - Ersatzteile
Werkzeug
Zierfiguren - Ziermuttern - Dekorteile
Zündung
Zylinder - Ersatzteile
Fifty Top (Malaguti/Morini)
Tuning
Antrieb - Uebersetzung
Auspuffanlagen
Bremsteile
Dichtungen
Kabelzüge - Klemmnippel - Stellschrauben
Kraftstoffversorgung
Kupplung (Motor Malaguti)
Kupplung (Motor Morini)
Motor - Zylinder - Kurbelwelle - Getriebe (Motor Malaguti)
Motor - Zylinder - Kurbelwelle - Getriebe (Motor Morini)
Nummernhalter
Ständer
Tankdeckel - Zierschwämme
Tretsystem
Vergaser (Motor Malaguti)
Vergaser (Motor Morini)
Werkzeug
Zündung (Motor Malaguti)
Zündung (Motor Morini)
Garelli Noi
Tuning
Kabelzüge - Klemmnippel - Stellschrauben
Nummernhalter
Tretsystem
Zündung
Gilera CBA
Kupplung - Variomatik - Ersatzteile
Hercules 623 Luxe (CH-7535)
Antrieb - Uebersetzung
Auspuffanlagen
Beleuchtung - Zubehör
Bereifung
Hauptständer - Seitenständer
Hebel
Kabelzüge - Klemmnippel - Stellschrauben
Nummernhalter
Stossdämpfer
Tankdeckel - Zierschwämme
Tretsystem
Zündschlösser - Zündschlüssel
Honda Camino
Bremsteile
Kabelzüge - Klemmnippel - Stellschrauben
Kraftstoffversorgung - Vergaser - Ersatzteile
Luftfilter
Nummernhalter
Tretsystem
Tuning
Zündung
Kreidler Flory MF-21
Auspuffanlagen Original - Ersatzteile
Nummernhalter
Kreidler MF-11
Motor - Ersatzteile
Nummernhalter
KTM Crazy
Kraftstoffversorgung - Vergaser- Ersatzteile
Nummernhalter
KTM GP30
Rahmen - Auspuff - Sattel - Schutzblech v.
Verkleidungen - Schwinge - Tretachse - Ständer - Kabelzüge
Gepäckträger - Stossdämpfer - Schutzblech h.
Scheinwerfer - Rücklicht - Tacho (Version mit eckigem Scheinwerfer)
Scheinwerfer - Rücklicht - Tacho (Version mit rundem Scheinwerfer)
KTM GP40
Auspuffanlagen
Dichtungen
Kraftstoffversorgung - Vergaser - Ersatzteile
Nummernhalter
Tretsystem
Vorderrad - Bremse v.
KTM GP40 Kat.
Armaturen
Gepäckträger - Schutzblech h. - Stossdämpfer
Hinterrad - Bremse h.
Rahmen - Auspuff - Schutzblech v.
Schwinge - Tretwelle - Ständer - Seitenschützer
Vorderrad - Bremse v.
Manet Korado Supermaxi
Anhängerkupplungen
Ansaugteile
Antrieb - Uebersetzung
Auspuffanlagen
Beleuchtung
Bremsteile
Dichtungen
Kabelzüge - Klemmnippel - Stellschrauben
Kraftstoffversorgung
Kurbelwellen - Ersatzteile
Nummernhalter
Räder - Radachsen - Radlager
Schutzblech
Stossdämpfer
Tretsystem
Zündung
Zylinder - Ersatzteile
Peugeot 103 SP - SPX, bis 2004
Tuning
Auspuffanlagen
Bremsteile
Kabelzüge - Klemmnippel - Stellschrauben
Kraftstoffversorgung
Nummernhalter
Tretsystem
Werkzeug
Zündung
Piaggio Boxer
Auspuffanlagen
Beleuchtung - Zubehör
Kabelzüge - Klemmnippel - Stellschrauben
Kilometerzähler - Ersatzteile
Kupplung - Variomatik - Ersatzteile
Motoren - Gehäuse
Nummernhalter
Tretsystem
Zündung
Piaggio Bravo
Tuning
Auspuffanlagen - Schalldämpfer - Ersatzteile
Beleuchtung - Zubehör
Bremsteile
Dichtungen
Gabeln - Ersatzteile
Kabelzüge - Klemmnippel - Stellschrauben
Kilometerzähler - Ersatzteile
Kraftstoffversorgung - Vergaser - Ersatzteile
Kupplung - Variomatik - Ersatzteile
Kurbelwellen - Zubehör
Luftfilter
Motoren - Gehäuse
Nummernhalter
Seitenschützer - Trittbretter - Ersatzteile
Ständer
Tretsystem
Werkzeug
Zündung
Zylinder - Ersatzteile
Zylinderköpfe - Ersatzteile
Piaggio Ciao
Tuning
Anhängerkupplungen
Aufkleber - Dekor
Auspuffanlagen - Schalldämpfer - Ersatzteile
Beleuchtung - Zubehör
Bremsteile
Dekompressor
Dichtungen
Fussrasten
Gabeln - Ersatzteile
Gepäckträger - Ersatzteile
Getriebe
Griffsets - Ersatzteile
Kabelabdeckungen
Kabelzüge - Klemmnippel - Stellschrauben
Kraftstoffversorgung - Vergaser - Ersatzteile
Kupplung - Variomatik - Ersatzteile
Kurbelwellen - Zubehör
Lenker - Lenkervorbau - Ersatzteile
Luftfilter
Motoren - Gehäuse
Nummernhalter
Räder - Ersatzteile
Rahmenverstärker
Sättel
Scheibenräder
Schlösser - Schlossabdeckung
Schutzbleche
Seitenschützer - Trittbretter - Ersatzteile
Ständer
mehr...
Piaggio Grillo
Kabelzüge - Klemmnippel - Stellschrauben
Kraftstoffversorgung - Vergaser - Ersatzteile
Nummernhalter
Tankdeckel
Tretsystem
Zündung
Piaggio SI
Tuning
Anhängerkupplungen
Auspuffanlagen Original
Beleuchtung - Zubehör
Bremsteile
Dekompressor
Dichtungen
Fussrasten
Gabeln - Ersatzteile
Getriebe
Griffsets - Ersatzteile
Hauptständer - Seitenständer
Kabelzüge - Klemmnippel - Stellschrauben
Kraftstoffversorgung - Vergaser - Ersatzteile
Kupplung - Variomatik - Ersatzteile
Kurbelwellen - Zubehör
Lenker
Luftfilter
Motoren - Gehäuse
Nummernhalter
Räder - Ersatzteile
Rahmen - Schwinge
Scheibenräder
Schutzbleche
Seitenschützer - Trittbretter - Ersatzteile
Stossdämpfer
Tacho - Ersatzteile
Tankdeckel
Tretsystem
Werkzeug
mehr...
Pony 503 GTA (Sachs-Motor)
Rahmen - Tank - Auspuff - Sattel - Schutzblech v.
Schwinge - Seitenschützer - Tretwelle - Ständer
Pony 503 GTX (Sachs-Motor)
Gepäckträger - Stossdämpfer - Schutzblech h.
Rahmen - Tank - Auspuff - Sattel - Schutzblech v.
Schwinge - Tretachse - Seitenschützer - Ständer
Pony 503 GTX Kat. (Sachs-Motor)
Rahmen - Tank - Auspuff - Sattel - Schutzblech v.
Schwinge - Tretachse - Seitenschützer - Ständer
Pony Cross (Beta-Motor 521)
Anhängerkupplungen
Antrieb - Uebersetzung
Beleuchtung - Tacho - Elektr. Anlage
Bereifung
Dichtungen
Getriebe - Kupplungen
Griffe - Kabel
Kurbelwelle - Zylinder
Motorgehäuse - Motor kplt.
Nummernhalter
Räder - Bremsen
Rahmen
Schutzbleche - Verkleidung - Auspuff
Tank - Sattel - Antriebe
Teleskopgabel - Lenker
Vergaser - Ersatzteile
Werkzeug
Windschutzscheiben
Zündung
Pony GTX (Beta-Motor 521)
Anhängerkupplungen
Antrieb - Uebersetzung
Beleuchtung - Tacho - Lenker
Dichtungen
Gepäckträger - Schutzblech h. - Federbein
Getriebe - Kupplungen
Griffe - Kabel
Kabelzüge - Klemmnippel - Stellschrauben
Kurbelwelle - Zylinder
Motorgehäuse - Motor kplt.
Nummernhalter
Räder - Bremsen
Rahmen - Tank - Schutzblech v. - Auspuff - Sattel
Schwinge - Ständer - Tretlager - Verschalung
Teleskopgabel - Lenker
Tretsystem
Vergaser - Ersatzteile
Werkzeug
Windschutzscheiben
Zündung
Pony GP40
Dichtungen
Nummernhalter
Rahmen - Auspuff - Schutzblech v.
Schwinge - Tretwelle - Ständer - Seitenschützer
Tankdeckel - Zierschwämme
Tretsystem
Vorderrad - Bremse v.
Pony Okay
Auspuff - Rahmen - Sattel - Benzinhahn - Schutzblech v.
Kabelzüge - Klemmnippel - Stellschrauben
Nummernhalter
Tretsystem
Pony Turbo
Auspuff - Rahmen - Sattel - Benzinhahn - Schutzblech v.
Pony Turbo Kat.
Antrieb - Übersetzung
Puch Maxi
Anhängerkupplungen
Ansaugstutzen
Ansaugsysteme - Ersatzteile
Antrieb - Uebersetzung
Aufkleber - Dekor
Auspuffanlagen Original + Imitation - Ersatzteile
Auspuffanlagen Tuning - Ersatzteile
Beleuchtung - Zubehör
Bremsteile
Dekompressor
Dichtungen
Fussrasten
Gabeln - Federbeine - Ersatzteile
Gedrehte Teile
Gepäckträger - Ersatzteile
Getriebe
Griffsets - Ersatzteile
Hauptständer - Seitenständer
Hebel
Kabelkanäle
Kabelzüge - Klemmnippel - Stellschrauben
Kraftstoffversorgung - Vergaser - Ersatzteile
Kupplung
Kurbelwellen - Ersatzteile
Lenker - Lenkervorbau
Luftfilter
Lungen
Motor-Revision
Motorgehäuse - Ersatzteile
Nummernhalter
mehr...
Puch Maxi P1
Hauptständer - Seitenständer
Kabelzüge - Klemmnippel - Stellschrauben
Nummernhalter
Tankdeckel - Zierschwämme
Tretsystem
Puch Velux
Anhängerkupplungen
Ansaugstutzen
Antrieb - Uebersetzung
Auspuffanlagen
Beleuchtung - Zubehör
Bremsteile
Dichtungen
Fussrasten
Gepäckträger
Griffsets - Ersatzteile
Kabelzüge - Klemmnippel - Stellschrauben
Kilometerzähler - Ersatzteile
Kraftstoffversorgung
Kupplung
Kurbelwellen - Ersatzteile
Luftfilter
Nummernhalter
Schaltung
Tankdeckel - Zierschwämme
Sättel
Ständer
Tacho - Ersatzteile
Tankdeckel - Zierschwämme
Tretsystem
Vergaser - Ersatzteile
Verkleidungen - Seitenschützer
Werkzeug
Zierfiguren - Ziermuttern - Dekorteile
Zündung
Zylinder - Ersatzteile
Puch X30 N-2AH/NG-2AH
Anhängerkupplungen
Antrieb - Uebersetzung
Auspuffanlagen Original - Ersatzteile
Bremsteile
Dichtungen
Fussrasten
Getriebe
Griffsets - Ersatzteile
Hauptständer - Seitenständer
Kabelzüge - Klemmnippel - Stellschrauben
Kilometerzähler - Ersatzteile
Kraftstoffversorgung
Kupplung
Kurbelwellen - Ersatzteile
Lenker - Lenkervorbau
Luftfilter
Motorgehäuse - Ersatzteile
Nummernhalter
Räder - Felgen - Ersatzteile
Sättel
Schutzbleche - Zubehör
Tankdeckel - Zierschwämme
Tretsystem
Tuning
Werkzeug
Zierfiguren - Ziermuttern - Dekorteile
Zündung
Zylinder - Ersatzteile Original
Puch X30 NL/NS
Ansaugstutzen
Antrieb - Uebersetzung
Auspuffanlagen
Bremsteile
Dichtungen
Gabeln - Federbeine - Ersatzteile
Gepäckträger - Werkzeug - Glocke
Getriebe
Griffsets - Ersatzteile
Hauptständer - Seitenständer
Kabelzüge - Klemmnippel - Stellschrauben
Kupplung
Kurbelwellen - Ersatzteile
Motorgehäuse - Ersatzteile
Nummernhalter
Rahmen - Gepäckträgerstreben - Sattelstütze - Tretlagerbüchsen
Sättel
Schaltung
Tankdeckel - Zierschwämme
Tretsystem
Vergaser - Ersatzteile
Werkzeug
Zündung
Zylinder - Ersatzteile Original
Zylinder - Ersatzteile Imitation/Tuning
Zylinderköpfe
Puch X30 S/L/LA
Antrieb - Uebersetzung
Beleuchtung - Zubehör
Gepäckträger
Bremsteile
Dichtungen
Hauptständer - Seitenständer
Kabelzüge - Klemmnippel - Stellschrauben
Motorgehäuse - Ersatzteile
Nummernhalter
Tankdeckel - Zierschwämme
Tretsystem
Werkzeug
Zündung
Rixe RS 503/2 AL-CH
Antrieb - Uebersetzung
Auspuff - Ersatzteile
Beleuchtung - Zubehör
Kabelzüge - Klemmnippel - Stellschrauben
Kraftstoffversorgung - Vergaser - Ersatzteile
Lenker - Lenkervorbau
Luftfilter
Tankdeckel - Zierschwämme
Tretsystem
Zündung
Sachs
Motor Sachs 50-AML CH
Motor Sachs 50/2 ML CH
Motor Sachs 50/3 (Handschalter)
Motor Sachs 502
Motor Sachs 503 2AL CH (Handschalter)
Motor Sachs 503 2BL CH (Handschalter)
Motor Sachs 503 AAL CH
Motor Sachs 503 AB CH
Motor Sachs 503 ABL CH (Automat)
Motor Sachs 503 AC CH
Motor Sachs 503 ADV Kat.
Motor Sachs 504/1 A CH (1 Gang)
Motor Sachs 504/2 A CH (2 Gang)
Motor Sachs 508/1 A CH
Motor Sachs 535/1 A CH
Motor Sachs 535/1 CH Kat.
Antrieb - Uebersetzung
Auspuffanlagen - Ersatzteile
Beleuchtung - Zubehör
Bremsteile
Dichtungen
Fussrasten
Gabeln - Federbeine - Ersatzteile
Griffsets - Ersatzteile
Kabelzüge - Klemmnippel - Stellschrauben
Kraftstoffversorgung - Vergaser - Ersatzteile
Luftfilter
Nummernhalter
Rücktrittteile
Sättel
mehr...
Solex
Ansaugteile - Luftfilter - Membrane
Glocken
Antriebsrollen
Aufkleber - Dekors
Auspuffanlagen
Beleuchtung - Zubehör
Bereifung
Bremsteile
Dichtungen
Gabeln - Ersatzteile
Gepäckträger
Griffsets - Ersatzteile
Hauptständer
Hebel
Kabelzüge
Kraftstoffversorgung - Vergaser - Ersatzteile
Kupplung
Kurbelwelle - Ersatzteile
Lenker - Lenkervorbau
Motorschutzbügel
Nummernhalter
Räder
Sättel - Sattelüberzüge
Tank - Tankdeckel
Tretsystem
Werkzeug
Zündung
Zylinder - Ersatzteile
Tomos Classic
Antrieb - Uebersetzung
Dichtungen
Hauptständer - Seitenständer
Hinterrad
Kabelzüge - Klemmnippel - Stellschrauben
Kraftstoffversorgung - Vergaser - Ersatzteile
Kupplung
Nummernhalter
Tacho - Ersatzteile
Tankdeckel
Tretsystem
Zündschloss
Zylinder - Ersatzteile
Tomos FunSport'R
Abdeckungen - Verkleidungen
Anhängerkupplungen
Antrieb - Uebersetzung
Auspuffanlagen
Beleuchtung - Zubehör
Bremsteile
Dichtungen
Hauptständer - Seitenständer
Hinterrad
Kabelzüge - Klemmnippel - Stellschrauben
Kupplung
Nummernhalter
Sattel - Sitzbank
Schalter/Armaturen
Tankdeckel
Tretsystem
Vergaser
Zündschloss
Zylinder - Ersatzteile
Tomos Quadro
Anhängerkupplungen
Anlasser
Antrieb - Uebersetzung
Auspuffanlagen
Batterien
Beleuchtung - Blinker
Dichtungen
Gepäck - Transport
Hauptständer - Seitenständer
Hinterrad
Kabelzüge - Klemmnippel - Stellschrauben
Kupplung
Kurbelwellen
Luftfilter
Nummernhalter
Schalter/Armaturen
Tankdeckel
Tretsystem
Vergaser
Verkleidungen
Zündschloss
Zylinder - Ersatzteile
Tomos Roadie
Antrieb - Uebersetzung
Dichtungen
Hauptständer - Seitenständer
Hinterrad
Kabelzüge - Klemmnippel - Stellschrauben
Kupplung
Nummernhalter
Tacho - Ersatzteile
Tankdeckel
Tretsystem
Zylinder - Ersatzteile
Tomos Sprint
Anhängerkupplungen
Antrieb - Uebersetzung
Auspuffanlagen
Dichtungen
Gepäck - Transport
Hauptständer - Seitenständer
Hinterrad
Kabelzüge - Klemmnippel - Stellschrauben
Kupplung
Kurbelwellen
Luftfilter
Nummernhalter
Schalter/Armaturen
Tankdeckel
Tretsystem
Vergaser
Zündschloss
Zylinder - Ersatzteile
Tomos Sprint Sport
Antrieb - Uebersetzung
Beleuchtung
Dichtungen
Hauptständer - Seitenständer
Hinterrad
Kabelzüge - Klemmnippel - Stellschrauben
Kupplung
Nummernhalter
Tankdeckel
Tretsystem
Zylinder - Ersatzteile
Victoria M50
Bereifung
Yamaha Yami
Antrieb - Uebersetzung
Kabelzüge - Klemmnippel - Stellschrauben
Motorrevision
Nummernhalter
Tretsystem
Tuning
Zündapp ZR10
Antrieb - Uebersetzung
Kabelzüge - Klemmnippel - Stellschrauben
Nummernhalter
Tretsystem
Zündung
Zündapp ZR30
Antrieb - Uebersetzung
Kabelzüge - Klemmnippel - Stellschrauben
Nummernhalter
Tretsystem
Zündung
Ansaugstutzen
Antrieb - Ketten
Aufkleber - Dekor
Alpinestars
Generic Kits
Hebo
Malossi
Nike
OBG
Polini
Pony
Puch
Valentino Rossi
Auspuffanlagen - Ersatzteile
Benzinfilter
Benzinhahnen - Ersatzteile
Benzinschläuche
Brems-/Kupplungshebel
Bremsbacken
Bremsteller
Computer
Dekompressor
Dichtmassen - Dichtmittel
Domino-Artikel
Felgenbänder
Flammenrohre
Flickzeug
Fussrasten
Gepäcktaschen - Sacochen
Glocken - Hupen
Glühbirnen
Griffsets - Ersatzteile
Hebel Universal
Magura
Hebelschrauben
Kabel - Kabelsätze Universal
Kalbelklemmen - Stellschrauben
Kettenräder - Zubehör
Kettenspanner
Kondensatoren
Kugellager - Lagerkugeln
Kurbelkeile
Lenker
Lenkergriffe
Lenkervorbau
Lichtkabel
Magura-Artikel
Nummernhalter
Oel - Schmiermittel - Pflegemittel
Pedalen
Pneus - Schläuche
19 Zoll
17 Zoll
16 Zoll
14 Zoll
Weisswand-Reifen
Felgenbänder
Räder - Felgen - Ersatzteile
Rücklicht
Rückspiegel
Sättel - Sattelstützen
Scheibenräder
Scheinwerfer
Schlauchschellen
Schlösser
Schrauben - Muttern
Flachkopfschrauben
Linsenkopfschrauben
Sechskantschrauben
Hutmuttern
Inbusschrauben
Sechskant-Stopmuttern
Sechskantmuttern
Schutzbleche - Schutzblechstreben
Seitenständer
Spannungsbegrenzer - Spannungsregler
Ständer
Steuerlagersätze - Ersatzteile
Stossdämpfer
Tacho - Tachoantriebe - Tachokabel
Tankdeckel - Zierschwämme
Tretsystem
Unterbrecher
Ventilkappen
Vergaser
Vergaser-Ersatzteile
Vergaserdüsen
Werkzeug
Zierfiguren - Ziermuttern - Dekorteile
Zündschlösser - Zündschlüssel
Zündung
Könnte Dich interessieren ...
Bosch (E-Bike)
Akkus
Ersatzteile Rahmenakku
Ersatzteile Gepäckträgerakku
Ersatzteile PowerTube
Ladegeräte
Displays
Ersatzteile Display
Bedieneinheiten + Zubehör
Lichtkabel + Stromkabel
Kettenblätter - Ritzel - Ketten
Motor-Abdeckungen + Zubehör
Spider + Verschlussringe
Geschwindigkeitssensor + Zubehör
Speichenmagnete/Magnete
Blindstopfen
Service-Kits
Werkzeug
Shimano (E-Bike)
Akku
Akku - Zubehör
Antriebseinheiten
Antriebseinheiten - Zubehör
Display + Zubehör
Diverse STEPS Komponenten
Ketten
Kettengarnituren
Kettengarnituren - Zubehör
Kurbelgarnitur
Ladegeräte
Panasonic (E-Bike)
Anhängerkupplungen
Ersatzteile Haerry
Ersatzteile Weber
Haerry
Hebie
Tekno-Van & div. Fahrradanhänger
Weber
Ausfallenden
Batterien
Fahrrad-Bekleidung
Arm-/Beinstulpen
Handschuhe
Helme
Mützen
Regenschütze
Schuh-Überzüge
Sicherheitsbekleidung
Beleuchtung
Glühbirnen
Leuchtpedalen
Speichenreflektoren
Sigma
Smart
Trelock
BMX Teile
Tretsystem
Bremsen
Bremsbeläge Scheibenbremse
Bremsgummis
Bremsflüssigkeit - Pflegemittel
Dachträger
Einräder
20
Zubehör
Fahrradcomputer
Sigma
Faltfahrräder
Dahon
Faltgaragen
Flickzeug
Gepäckträger
Hinten
Vorne
Glocken - Hupen
Handy-/Navi-Halter
Hebel - Ersatzteile
Hosenklammern
Hunde-Transport
Ketten
KMC
Shimano
Kindersitze - Ersatzteile
Bulldog
Koala
Mac-Ride
Polisport
Wallaby
Körbe - Taschen - Case - Halter
Gepäckträger-Körbe
Gepäckträger-Körbe Rattan-Look
Rattan-Körbe
Regenschutzhüllen
AVS
KLICKfix
MIK
Racktime
Lenkergriffe
Lenkerhalterungen für Geräte
Pneus - Schläuche - Zubehör
Anhänger
Collé - Schlauchreifen
Falt-Fahrräder
Kindervelos
Wulst-Reifen
Michelin
Schwalbe
Ventile - Ventilaufsätze
Pulsuhren
VDO
Pumpen - Luftpatronen
Räder - Ersatzteile
Kindervelos
Reflektoren
Rückspiegel
Schnellspanner
Schutzbleche
Hebie
SKS
Ständer
Könnte Dich interessieren ...
Bremsbeläge
Pneus - Schläuche
Integral
Jet
Klapp/Modular
Modular
Cross + Enduro
Kinder
Visiere + Ersatzteile
Acerbis
AGV
BKR
Box
Caberg
Diesel
DMD
Driver
GMS
Helmo Milano
HJC
ICON
Iota
Kiwi
MDS
Momo
Moto-Eleven
NAU
NZI
Premier
Rocc
Roof
SMK
Vespa
X-lite
Kommunikation
Zubehör Universal
Helmpflege
Jacken
Hosen
Lederbekleidung
Leder-Jacken
Leder-Kombis, 2-teilig
Kinderbekleidung
Hals - Kopf
Regenbekleidung
Handschuhe
Nierengurte
Hals - Kopf
Face Masks
Halsschützer - Halswärmer
Multifunktionstücher
Sturmhauben
Knie - Beine - Füsse
Schuhe
Brillen - Sonnenbrillen
Bikerbrillen
Crossbrillen
Sonnenbrillen
Sicherheitsbekleidung
Casual Wear
T-Shirts
Hoodies
Gürtel
Caps - Beanies - Bandanas
Kleider-Pflege
Aufbewahrungsartikel für Bekleidung
Bereifung
Zahnkränze - Ketten
Zündkerzen - Kerzenstecker
APE 50
Zylinder - Ersatzteile
APE 600
Zylinder - Ersatzteile
APE TM703
Auspuffanlagen
Dichtsätze - Dichtungen
Alltagsanhänger
Kinderanhänger
FollowMe Tandem-Kupplung
Tekno Van I
Tekno Van II
Shoppinganhänger
Burley Travoy
Donkey
Einradanhänger
Burley Coho XC
BOB-YAK
BOB-IBEX
Anhängerkupplungen
Haerry
Hebie
Weber
Tekno-Van & div. Fahrradanhänger
Ersatzteile Haerry
Räder
Aprilia-Accessoires
Badetücher
Schlüsselanhänger
Taschen
Vespa-Accessoires
Aufkleber
Badetücher
Bandanas - Halswärmer
Biker-Brillen
Caps
Gürtel
Handschuhe
Helme
mehr...
Autosol
Belgom
Brunox
Hanseline
Holmenkol
Ipone
Kersten's
Magura
Moto Eleven
Motip
Motorex
Motorex Bike-Line
Motorex Moto-Line
Motrax
Helmpflege
Nikwax
Profi Dry Lube
Silkolene
Steinol
Techno
Valvoline
Vulcanet
WD-40
QUIXX
LIKEaBIKE
Anhänger Lorry
LIKEaBIKE's
Zubehör - Ersatzteile
Puky
Pukylino
Wutsch
Dreiräder
Laufräder
Roller/Trottis
Fahrräder
Prinzessin Lillifee
Capt'n Sharky
mehr...
Sirch
Fahrräder
PUKY
Laufräder
LIKEaBIKE
PUKY
Einräder
Trailer-Bikes
FollowMe Tandem-Kupplung
Kindersitze für Fahrräder
Bulldog
Koala
Pony
Rahmenrohrsattel Wittkop
Wallaby
Kindersitze für Roller/Motorräder
Bekleidung
Fahrrad
Hals - Kopf
Motorrad
Sicherheitsbekleidung
Schlösser
Trinkflaschen
Plastik
SIGG
Fahrrad - Bike
Arm-/Beinstulpen
Mützen
Pneus
Regenschütze
Sattelüberzüge
Schuh-Überzüge
Sicherheitsbekleidung
Roller - Scooter - Motorrad
Aufbewahrungsartikel für Bekleidung
Batterie-Wartung
Beinschutzdecken Universal
Fahrzeugdecken
Hals - Kopf
Handschuhe
Heizgriffe
Helm-Zubehör Universal
mehr...
Fahrrad-Fahrer - Biker
Diebstahlschutz
Fahrradcomputer
Faltgaragen
Holmenkol
Kleider-Pflege
Motorex
Mützen
Werkzeug
mehr...
Mofa- und Moped-Fahrer
Hals/Kopf
Puch-Artikel
Helmpflege
Regenschirme
Tassen
Roller-, Scooter- und Motorrad-Fahrer
Aprilia-Accessories
Vespa-Accessoires
Anstecker - Pins
Aufbewahrungsartikel für Beleidung
Beifahrer-Haltegriffe
Bücher
Diebstahlschutz
Handschützer
mehr...
Geschenkgutscheine
Anhänger
Alltagsanhänger
Kinderanhänger
Shoppinganhänger
Einradanhänger
Anhängerkupplungen
Räder
Accessoires
Aprilia-Accessoires
Vespa-Accessoires
Oel - Schmiermittel - Pflegemittel
Autosol
Belgom
Brunox
Hanseline
Holmenkol
Ipone
mehr...
Kinderartikel
LIKEaBIKE
Puky
Sirch
Fahrräder
Laufräder
Einräder
mehr...
Herbst - Winter
Fahrrad - Bike
Roller - Scooter - Motorrad
Geschenktips
Fahrrad-Fahrer - Biker
Mofa- und Moped-Fahrer
Roller-, Scooter- und Motorrad-Fahrer
Geschenkgutscheine
Alle Aktions-Artikel
Top-Produkte
Startseite
Mofa
Sachs
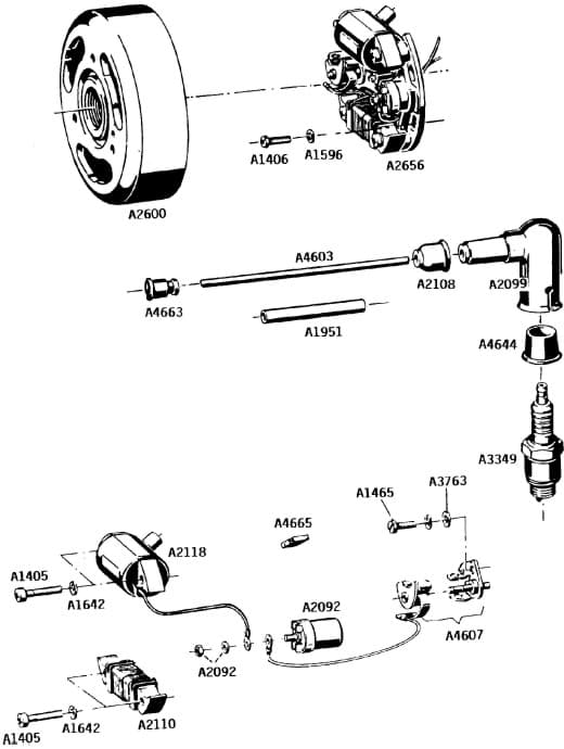
Motor Sachs 535/1 CH Kat.
Motor Sachs 535/1 CH Kat.
Dichtungen
Luftfilter - Ersatzteile
Starter - Kupplung - Getriebe
Vergaser - Ersatzteile
Zündung
Zylinder - Kolben - Kurbelwelle